脉冲驱动器 一体机 UIM240
脉冲驱动器 一体机 UIM240

国内最小巧的脉冲步进步进驱动器!
核心特点:
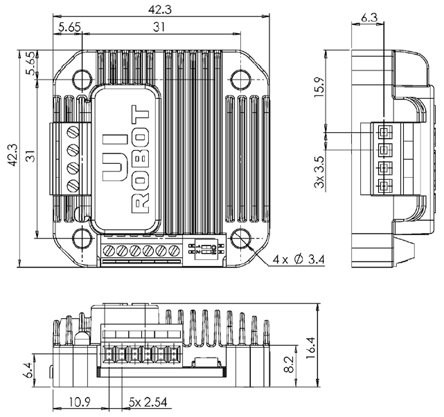
● 小体积设计,外形为42.3x42.3x16.5mm
● 可与42、57、86电机装配为一体机;
● 输出电流规格为2A、4A、8A;
● 双向光电信号隔离,共阳极或共阴极输入;
● 最大16细分;
产品介绍:
UIM240是国内最小体积的脉冲型步进电机驱动器,其外形仅为42.3x42.3x16.5mm,可与42、57、86电机装配为一体机,有助于减小设备体积,相对于同类产品,UIM240系列产品具有明显的结构优势。
UIM240有较好的中高速输出能力,提供0-2A、1.5-4A、3.5-8A三种规格可供选择。其具备的高速电流补偿功能,可以补偿电机高速转动时反电动势造成的影响。目前UIM240系列一体机在医疗、电子组装、实验室仪器、测试设备领域有广泛应用。
产品型号与选型表:
|
产品型号 |
工作电压 |
输出电流 |
适配电机 |
一体机组装方式 |
|
UIM240L02P |
12-35 VDC |
0-2A |
20/28/35/39/42 |
39/42后装、侧装 |
|
UIM240C04P |
12-40 VDC |
1.5-4A |
42/57 |
后装、侧装 |
|
UIM240C08P |
12-40 VDC |
3.5-8A |
57/86 |
后装、侧装 |
注:侧装以及57/86电机后装,需选配对应安装法兰
典型接线图

工作电气性能与环境要求(环境温度25℃时)
|
冷却方式 |
自然冷却 |
|
|
使用环境 |
场合 |
尽量避免粉尘、油雾及腐蚀性气体 |
|
温度 |
-40 ℃ ~+ 85 ℃ |
|
|
湿度 |
<80%RH,无凝露,无结霜 |
|
|
震动 |
3G Max |
|
|
驱动方式 |
恒相流PWM 控制 |
|
|
细分 |
整步、2、4、8、16 |
|
|
绝缘电阻 |
在常温常压下>100MΩ |
|
|
绝缘强度 |
在常温常压下0.5KV,1分钟 |
|
产品外形图:

相关步进电机驱动器
- 2024-01-04UP42一体式步进电机驱动器(差分端口)
- 2023-12-22CAN通讯UIM242步进驱动器
- 2023-12-22电压调速型步进一体机 UIM243
- 2023-12-22脉冲驱动器 步进一体 UIM57
- 2023-12-22脉冲型驱动器 一体机 UIM42
- 2023-12-22脉冲驱动器 一体机 UIM240
- 2023-12-22CAN通讯UIM242步进驱动器/一体机
- 2023-12-22CAN通讯驱动器 一体机 UIM2842
- 2023-12-22步进驱动器DM872S
- 2023-12-22步进驱动器DM556S
- 2023-12-22RS232通讯UIM241步进一体机
- 2023-12-22EtherCAT通讯步进驱动器ESC57
- 2023-12-22RS485通讯型步进驱动器 一体机 UIM42RS
- 2023-12-21RS485通讯式步进驱动器一体机 UIM57RS











