35/39系列混合式步进电机
35/39系列混合式步进电机
精准,简洁

35/39步进电机选用优质磁性材料,配置精密恒久润滑滚珠轴承,具有输出转矩大,温升低等特点,保持转矩最大可达0.1Nm/0.25Nm,步矩角精度为±5%。
通用规格
|
步距精度 |
±5%(整步、空载) |
|
温升 |
80°CMax |
|
环境温度 |
-10°C -- +50°C |
|
绝缘电阻 |
100MΩmin.500VDC |
|
耐压 |
500VAC for one minute |
|
径向跳动 |
0.06 Max.(450g-load) |
|
轴向跳动 |
0.08 max.(450g-load) |

型号技术规格:
|
型号 |
步距角 (°) |
保持转矩 N.M |
额定电流 A |
相电感 mH |
相电阻 Ohm |
引线 |
转子惯量 g.cm2 |
定位转矩 Kg.cm |
电机重量 Kg |
机身长 mm |
轴长 mm |
|
35H0215 |
1.8 |
0.2 |
1.5 |
2.4 |
1.8 |
4 |
14 |
0.1 |
0.2 |
40 |
20 |
|
35H03512 |
1.8 |
0.35 |
1.2 |
3.6 |
3.5 |
4 |
20 |
0.15 |
0.3 |
58.5 |
24 |
|
39H02206 |
1.8 |
0.18 |
0.6 |
16 |
15 |
4 |
20 |
0.25 |
0.18 |
34 |
24 |
|
39H02505 |
1.8 |
0.25 |
0.5 |
35 |
24 |
4 |
28 |
0.3 |
0.2 |
38 |
24 |
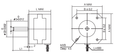
外形尺寸:

接线图:

电机矩频曲线特性图:


适配驱动器选型:
|
电机规格 |
适配驱动器 |
|
35/39规格 |
UIM2842、UIM242L02P-MSP、UIM241L02P-MS、UMI240L02P、UIM243L02AP、UIM42、DM430S |
相关步进电机
- 2023-12-2242系列混合式步进电机
- 2023-12-2286/110混合式步进电机
- 2023-12-2220/28系列两相步进电机
- 2023-12-2235/39系列混合式步进电机
- 2023-12-22闭环步进电机 42规格
- 2023-12-2157系列混合式步进电机
- 2023-12-21闭环步进电机 57规格
- 2023-12-21闭环步进电机 35规格
- 2023-12-21闭环步进电机 28规格









