42系列混合式步进电机
42系列混合式步进电机
精准,可靠

42步进电机选用优质磁性材料,配置精密恒久润滑滚珠轴承,高速性能好,质量稳定可靠,保持转矩最大可达0.65Nm,步矩角精度为±5%。
通用规格
|
步距精度 |
±5%(整步、空载) |
|
温升 |
80°CMax |
|
环境温度 |
-10°C -- +50°C |
|
绝缘电阻 |
100MΩmin.500VDC |
|
耐压 |
500VAC for one minute |
|
径向跳动 |
0.06 Max.(450g-load) |
|
轴向跳动 |
0.08 max.(450g-load) |

型号技术规格:
|
型号 |
步距角 (°) |
保持转矩 N.M |
额定电流 A |
相电感 mH |
相电阻 Ohm |
引线 |
转子惯量 g.cm2 |
定位转矩 Kg.cm |
电机重量 Kg |
机身长 mm |
轴长 mm |
|
42H0217 |
1.8 |
0.25 |
1.7 |
2.1 |
1.2 |
4 |
54 |
0.15 |
0.28 |
40 |
24 |
|
42H0317 |
1.8 |
0.34 |
1.7 |
3.2 |
1.5 |
4 |
68 |
0.2 |
0.34 |
47 |
24 |
|
42H0620 |
1.8 |
0.65 |
2.0 |
4.6 |
1.5 |
4 |
88 |
0.25 |
0.45 |
58.5 |
24 |
|
42HE0420 |
1.8 |
0.44 |
2.0 |
2.5 |
1.3 |
4 |
60 |
0.2 |
0.3 |
41 |
24 |
|
42HE0520 |
1.8 |
0.55 |
2.0 |
3.5 |
1.3 |
4 |
80 |
0.25 |
0.4 |
47 |
24 |
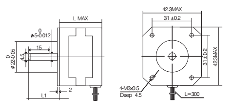
外形尺寸:

电机矩频曲线特性图:


适配驱动器选型:
|
电机规格 |
适配驱动器 |
|
42规格 |
UIM2842、UIM242L02P-MSP、UIM241L02P-MS、UMI240L02P、UIM243L02AP、UIM42、DM430S |
相关步进电机
- 2023-12-2242系列混合式步进电机
- 2023-12-2286/110混合式步进电机
- 2023-12-2220/28系列两相步进电机
- 2023-12-2235/39系列混合式步进电机
- 2023-12-22闭环步进电机 42规格
- 2023-12-2157系列混合式步进电机
- 2023-12-21闭环步进电机 57规格
- 2023-12-21闭环步进电机 35规格
- 2023-12-21闭环步进电机 28规格









