86/110混合式步进电机
86/110混合式步进电机
精准,动力强劲

86/110步进电机选用优质磁性材料,配置精密恒久润滑滚珠轴承,以相对较小规格提供较大转矩输出,保持转矩最大可达12Nm/28Nm,步矩角精度为±5%。
通用规格
|
步距精度 |
±5%(整步、空载) |
|
温升 |
80°CMax |
|
环境温度 |
-10°C -- +50°C |
|
绝缘电阻 |
100MΩmin.500VDC |
|
耐压 |
500VAC for one minute |
|
径向跳动 |
0.06 Max.(450g-load) |
|
轴向跳动 |
0.08 max.(450g-load) |

型号技术规格:
|
型号 |
步距角 (°) |
保持转矩 N.M |
额定电流 A |
相电感 mH |
相电阻 Ohm |
引线 |
转子惯量 g.cm2 |
定位转矩 Kg.cm |
电机重量 Kg |
机身长 mm |
轴长 mm |
|
86H3530 |
1.8 |
3.5 |
3.0 |
5.6 |
1.6 |
4/8 |
1050 |
0.8 |
2 |
65 |
14 |
|
86H4540 |
1.8 |
4.5 |
4.0 |
3.5 |
0.8 |
4/8 |
1400 |
1.3 |
2.35 |
80 |
12.7/14 |
|
86H8550 |
1.8 |
8.5 |
5.0 |
5.2 |
0.95 |
4/8 |
2800 |
2.5 |
3.8 |
118 |
12.7/14 |
|
110H1250 |
1.8 |
12 |
5.0 |
15 |
0.95 |
4 |
4000 |
3 |
5 |
100 |
19 |
|
110H2065 |
1.8 |
20 |
6.5 |
18.5 |
1.15 |
4 |
11000 |
6 |
8.4 |
150 |
19 |
|
110H2865 |
1.8 |
28 |
6.5 |
22.5 |
1.7 |
4 |
14200 |
7.5 |
11.7 |
201 |
19 |
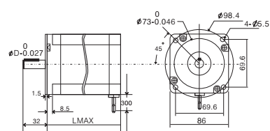
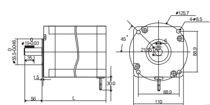
外形尺寸:

8线电机引线接法:

电机矩频曲线特性图:



适配驱动器选型:
|
电机规格 |
适配驱动器 |
|
86规格 |
UIM242FH08P-MSP、UIM241FH08P-MS、UIM240C08P、DM556、DM872 |
110F电机外形(mm)

接线图:

相关步进电机
- 2023-12-2242系列混合式步进电机
- 2023-12-2286/110混合式步进电机
- 2023-12-2220/28系列两相步进电机
- 2023-12-2235/39系列混合式步进电机
- 2023-12-22闭环步进电机 42规格
- 2023-12-2157系列混合式步进电机
- 2023-12-21闭环步进电机 57规格
- 2023-12-21闭环步进电机 35规格
- 2023-12-21闭环步进电机 28规格









