42系列直线丝杆步进电机
42系列直线丝杆步进电机

核心特点
(1) 美国ACME高精度梯形丝杆,丝杆导程精度±0.017mm;
(2) 进口高耐磨工程塑料螺母,寿命可达210万次*;
(3) 可选配消间隙螺母组件,完整消除丝杆往返间隙;
(4) 可选配08规格滚珠丝杆(C3/C5/C7);
(5) 可选配编码器、刹车器;
(6) 可组成脉冲、RS232/RS485、CAN通讯型开环/闭环一体机;
(7) 在自动化组装、3C检测、医疗仪器等领域成熟应用;
(8) *根据ElectroCraft测试数据,螺母寿命比铜材质高8倍。
42丝杆电机本体规格选型表
|
规格 |
机身长度 A |
电机本体 保持转矩 |
电机本体 重量 |
电流绕组电气参数1 |
电流绕组电气参数2 |
24V/10RPS 推力范围 |
||
|
额定电流 |
额定电阻 |
额定电流 |
额定电阻 |
|||||
|
APPS17M-23 |
33.7mm |
0.21Nm |
0.190Kg |
1.5A |
2.0Ω |
2.0A |
1.0Ω |
42-400N |
|
APPS17M-33 |
39.7mm |
0.33Nm |
0.255Kg |
1.5A |
2.4Ω |
2.0A |
1.2Ω |
75-830N |
|
APPS17M-48 |
48mm |
0.41Nm |
0.355Kg |
1.5A |
2.5Ω |
2.0A |
1.4Ω |
97-900N |
电机推力计算公式:电机在确定转速下推力(N)=输出转矩(NCM)*推力常数
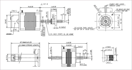
42丝杆电机外形尺寸图

42电机标配丝杆导程规格与推力常数
|
丝杆代码 |
丝杆外径规格 |
导程mm |
步长mm(整步) |
推力常数 |
丝杆代码 |
丝杆规格 |
导程mm |
步长mm(整步) |
推力常数 |
|
X |
Φ3.57mm ACME |
0.6096 |
0.00305 |
25 |
E |
Φ6.35mm ACME |
12.7 |
0.0635 |
3.42 |
|
X1 |
Φ3.57mm ACME |
1.2192 |
0.0061 |
20 |
D |
Φ6.35mm ACME |
1.27 |
0.00635 |
14.5 |
|
X2 |
Φ3.57mm ACME |
2.4384 |
0.01219 |
10.5 |
S |
Φ6.35mm ACME |
2.54 |
0.0127 |
11.9 |
|
D |
Φ4.76mm ACME |
1.27 |
0.00635 |
19 |
K |
Φ6.35mm ACME |
5.08 |
0.0254 |
7.2 |
|
S |
Φ4.76mm ACME |
2.54 |
0.0127 |
13 |
I |
Φ6 M6x1.0-6G |
1.0 |
0.005 |
11.3 |
|
K |
Φ4.76mm ACME |
5.08 |
0.0254 |
7.6 |
Y3 |
Φ5.56mm ACME |
4.8768 |
0.02438 |
7.73 |
|
A |
Φ6.35mm ACME |
1.5875 |
0.00794 |
11.59 |
BI |
滚珠丝杆0401 |
1.0 |
0.005 |
37.9 |
|
B |
Φ6.35mm ACME |
3.175 |
0.01588 |
9.66 |
BI1 |
滚珠丝杆0601/0801 |
1.0 |
0.005 |
37.8 |
|
C |
Φ6.35mm ACME |
6.35 |
0.03175 |
6.43 |
BF |
滚珠丝杆0602/0802 |
2.0 |
0.01 |
25.1 |
注:可选配0606、0805、0808、0810滚珠丝杆,具体请与我司联系;
42电机标配滚珠丝杆规格及螺母尺寸

42规格丝杆电机速度-推力曲线


注:更多规格丝杆推力值,请参考右侧电机矩频曲线图,按 丝杆推力常数 x 当前转速时输出转矩(Ncm)=当前推力(N) 公式计算。
相关丝杆步进电机
- 2023-12-2286系列直线丝杆步进电机
- 2023-12-2257系列直线丝杆步进电机
- 2023-12-2242系列直线丝杆步进电机
- 2023-12-2235系列直线丝杆步进电机
- 2023-12-2228系列直线丝杆步进电机
- 2023-12-2220系列直线丝杆步进电机






