IX530步进电机驱动卡 / DSP步进驱动模块
IX530步进电机驱动卡 / DSP步进驱动模块

专为医疗仪器、实验室仪器设计的步进电机驱动卡
产品介绍
IX530是深圳汇升面向医疗、实验室仪器等行业,针对用户自研单片机、ARM控制主板推出的模块化步进电机驱动卡。产品采用32位DSP数字硬件方案,内置先进的变电流技术、变频技术、微细分技术、参数自整定技术,有效保证驱动卡发热小,电机振动低、噪音低、运行平稳。本驱动卡有效解决了专用步进驱动芯片的发热高、电机振动大、噪音大、大小步问题,具有极高性价比。
IX530是一款排针管脚步进驱动模块,提供多达29路输入/输出针脚定义,充分满足供电、调细分、调电流、脉冲输入、电机输出、编码器信号输入等功能需求。排针有立式、卧式两种形式供选择,用户只需在PCBA主板上留出排针位置,即可将驱动卡焊接或插在对应母座上。同时可提供驱动卡布板封装文件,方便用户的PCBA主板布板使用。
IX530步进驱动卡提供200~51200内任意细分设置,0.2~3A内任意峰值电流设置,能够满足20、28、35、39、42规格开环/闭环步进电机需要。
核心特点
● 模块化DSP步进电机驱动卡,直接替代专用芯片,简化用户驱动硬件设计布板;
● 体积小、发热低,电机运行平稳、底噪低温静音;
● 29PIN排针管脚定义,立式、卧式两种选择,PCB尺寸仅38mmX35mm;
● 3.3V控制信号,直接与用户自研主板匹配;
● 细分设定范围200-51200;
● 脉冲响应频率最高可达500KHz(出厂默认200KHz);
● 连续最大输出电流2.1A max,最大峰值电流3.0A;
● 内置电机参数自动匹配功能;
● 可通过串口连接上位机对驱动卡进行设置或二次开发;
● 具有过压、欠压、过流等保护功能;
● 报警输出功能;
● 开环、闭环功能可选;
电流设定
|
输出峰值电流 |
输出均值电流 |
SW1 |
SW2 |
SW3 |
SW4 |
|
Default 1.4A |
1.00A |
H |
H |
H |
H |
|
0.28A |
0.20A |
L |
H |
H |
H |
|
0.42A |
0.30A |
H |
L |
H |
H |
|
0.60A |
0.43A |
L |
L |
H |
H |
|
0.84A |
0.60A |
H |
H |
L |
H |
|
1.00A |
0.70A |
L |
H |
L |
H |
|
1.12A |
0.80A |
H |
L |
L |
H |
|
1.40A |
1.00A |
L |
L |
L |
H |
|
1.68A |
1.20A |
H |
H |
H |
L |
|
1.82A |
1.30A |
L |
H |
H |
L |
|
2.10A |
1.50A |
H |
L |
H |
L |
|
2.24A |
1.60A |
L |
L |
H |
L |
|
2.38A |
1.70A |
H |
H |
L |
L |
|
2.52A |
1.80A |
L |
H |
L |
L |
|
2.80A |
2.00A |
H |
L |
L |
L |
|
3.00A |
2.14A |
L |
L |
L |
L |
细分设定
|
Pulse/rev |
细分 |
SW5 |
SW6 |
SW7 |
SW8 |
|
Default(200) |
Default |
H |
H |
H |
H |
|
400 |
2 |
L |
H |
H |
H |
|
800 |
4 |
H |
L |
H |
H |
|
1600 |
8 |
L |
L |
H |
H |
|
3200 |
16 |
H |
H |
L |
H |
|
6400 |
32 |
L |
H |
L |
H |
|
12800 |
6 |
H |
L |
L |
H |
|
1000 |
5 |
L |
L |
L |
H |
|
2000 |
10 |
H |
H |
H |
L |
|
4000 |
20 |
L |
H |
H |
L |
|
8000 |
40 |
H |
L |
H |
L |
|
10000 |
50 |
L |
L |
H |
L |
|
20000 |
100 |
H |
H |
L |
L |
|
25600 |
128 |
L |
H |
L |
L |
|
40000 |
200 |
H |
L |
L |
L |
|
51200 |
256 |
L |
L |
L |
L |
串口RS232通讯接口定义
|
引脚号 |
定义 |
名称 |
说明 |
|
1 |
+5V |
5V电源正端 |
仅供外部STU |
|
2 |
TxD |
RS232发送端 |
|
|
3 |
RxD |
RS232接收端 |
|
|
4 |
GND |
5V电源地 |
0V |
|
5-8 |
NC |
空置 |
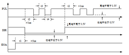
控制信号时序图

电气参数
|
参 数 |
IX530 |
|||
|
最小值 |
典型值 |
最大值 |
单位 |
|
|
连续输出电流 |
0.2 |
- |
3.0 |
A |
|
数字供电电压 |
--- |
5.0 |
--- |
Vdc |
|
功能电压(直流) |
+12 |
+24 |
+32 |
Vdc |
|
逻辑输入电流 |
2 |
6 |
12 |
mA |
|
控制信号接口电平 |
- |
3.3 |
- |
Vdc |
|
步进脉冲频率 |
0 |
- |
200 |
kHz |
|
输入信号最小脉冲宽度 |
1.5 |
- |
- |
uS |
|
绝缘电阻 |
500 |
- |
- |
MΩ |
使用环境及参数
|
冷却方式 |
自然冷却或强制风冷 |
|
|
使用环境 |
场合 |
不能放在其它发热的设备旁,要避免粉尘、油雾、腐蚀性气体,湿度太大及强振动场所,禁止有可燃气体和导电灰尘; |
|
温度 |
-10℃ ~ +50℃ |
|
|
湿度 |
40 ~ 90%RH |
|
|
振动 |
10 ~ 55Hz/0.15mm |
|
|
保存温度 |
-20℃ ~ +60℃ |
|
|
使用海拔 |
≤1000m |
|
|
重量 |
约100g |
|
产品尺寸图

相关步进驱动卡
- 2023-12-22IX530步进电机驱动卡 / DSP步进驱动模块
- 2023-12-21IX550开环 / IXC508闭环步进驱动卡


